Description
1. Model Classification (By Medium)
| Model Prefix | Applicable Medium Type |
| A32Q | Inert gases such as air and nitrogen |
| A32MS | Clean/weakly corrosive gases such as oxygen and hydrogen sulfide |
| A32MC | Liquid media such as liquid carbon dioxide and liquid ammonia |
| A32MH | Gases requiring strict leak control such as hydrogen and helium |
2. Core Parameters (Take A32Q Single-Drive Single-Acting Series as an Example)
- Structural Parameters
- Drive cylinder: Diameter 160mm, stroke 100mm
- High-pressure part: Piston structure with a stainless steel cooling jacket on the outside (cooled by exhaust gas from the muffler)
- Performance Parameters
- Boost ratio: Area ratio of the drive piston to the booster piston; for single-drive single-acting pumps, Outlet Pressure = Drive Air Pressure × Boost Ratio (the pump stops when pressure is balanced)
- Displacement: The larger the drive cylinder diameter → the larger the high-pressure cylinder diameter → the higher the displacement/flow rate
- Inlet pressure: Single-stage pumps with different boost ratios correspond to different minimum inlet pressures (see the manual for details)
- Key Features
- Medium isolation: Drive air does not contaminate the boosted medium
- Electricity-free & automatic: Driven by compressed air with automatic pressure compensation
- Clean & explosion-proof: Oil-free compression, suitable for explosion-proof occasions
- Pressure fluctuation: The outlet pressure fluctuation of single-acting pumps is greater than that of double-acting pumps
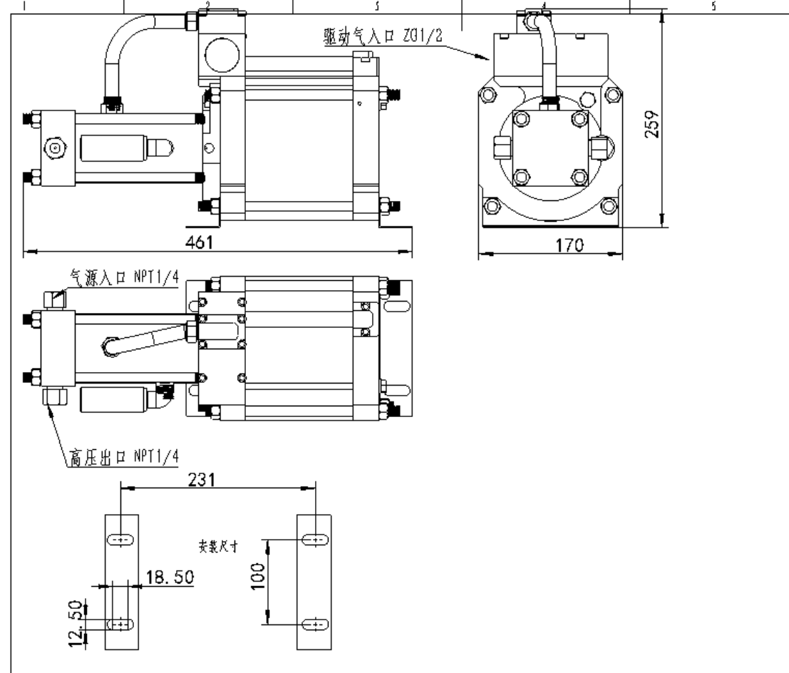
Single-Drive Single-Acting Gas Booster Pump A32Q Appearance and installation parameters

If the external dimensions do not meet the site space requirements, we also offer a shorter pump design; please inquire.
Note: 1. Pressure ratio: The ratio of the area of the driving piston to the area of the high-pressure acting piston;
2. Displacement: Calculated value of the output volume of the acting cylinder per reciprocating stroke of the high-pressure piston;
3. Reference flow rate: Approximate standard volume of the discharged gas with a driving gas pressure of 6 bar, inlet pressure (value in parentheses), and outlet pressure slightly higher than inlet pressure.


